CWC 300 > 소형파워실린더

CWC 300 요약정보 및 구매

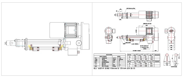
추력 300Kg.f
행정거리 100~600mm (over 600mm-문의)
속도 25/30/40mm/sec
사용모터 0.4KW×AC 220/380/440V×3Φ×4P×60Hz AC Brake
도면자료

CWC300-200stroke.dwg

CWC300-300stroke.dwg

CWC300-400stroke.dwg

CWC300-500stroke.dwg

CWC300-600stroke.dwg

CWC300-700stroke.dwg

CWC300-800stroke.dwg

031-404-7526


상품 상세설명

제품의 특징
- 복잡한 유,공압 SYSTEM의 단점을 보완, 간단한 설치 및 유지보수
- 중 부하용으로 자동화 설비, 호퍼, 자동화시스템 등 폭넓은 산업기기 분야에 적용
- 사용 빈도, 작업환경에 맞게 TM SCREW, BALL SCREW 선택으로 합리적 비용 형성
- 전자식 과부하 장치(Over safety device)내장으로 과부하시 실린더 본체와 모터를 안전하게 보호
- MOTOR에는 고성능 브레이크를 장착하여 정지 효율 및 하중유지가 우수
- MOTOR내부에 수동장치가 내장되어 있어 정전시 수동운전




c9dab238fa012c81f98ea52ab8192164_1624603413_23.jpg
c9dab238fa012c81f98ea52ab8192164_1624603413_36.jpg


  



관련상품

등록된 상품이 없습니다.

개인정보보호방침 | 이메일무단수집거부

CHANGWON GI JUN CO., LTD.
(주)창원기전 침 대표이사 : 여덕수 | 사업자등록번호 : 140-81-92321부
본사/공장 : 경기도 시흥시 수인로 2778-2 (도창동) | 대표번호 : 031-404-7526 / 010-8960-1443 | 팩스 : 031-404-7529 | 이메일 : cw-p@hanmail.net

본 사이트의 모든 콘텐츠는 저작권법의 보호를 받는 바 무단 전재, 복사, 배포 등을 금합니다.
COPYRIGHT 2021 (주)창원기전. ALL RIGHTS RESERVED.