CWC3T > 중형파워실린더

CWC3T 요약정보 및 구매

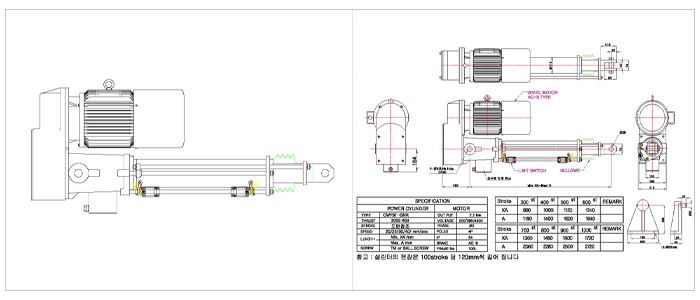
추력 3,000Kg.f
행정거리 100~1000mm(over 1000mm-문의)
속도 20/25/30/40 mm/sec
용도 하수 처리장, 소각 처리장, 제철소의 DAMPER, HOPPER, AUTO GATE, 이송, 반전
사용모터 2.2KW×AC220/380/440V×∅3×4P×60Hz×AC Brake
특징1 작업 환경에 맞게 SERVO MOTOR, BLDC MOTOR, STEPPING MOTOR 장착 가능
도면자료

CWC3T-300S.dwg

CWC3T-400S.dwg

CWC3T-500S.dwg

CWC3T-600S.dwg

CWC3T-700S.dwg

CWC3T-800S.dwg

CWC3T-900S.dwg

CWC3T-1000S.dwg

031-404-7526


상품 상세설명

제품의 특징
- 추력 3000kg.f용 중형 실린더로 하수 처리장, 소각 처리장, 제철소의 DAMPER  HOPPER,
   AUTO GATE,이송, 반전 등 가장 폭넓은 사용범위의 기종
- 고 효율의 BALL SCREW 적용으로 저소음, 고출력, 확실한 내구성
- 실린더전용 브레이크를 장착하여 확실한 제동력을 발휘 함
- 위치제어용 리미트 스위치가 외부에 장착이 되어 있어 조작이 간편
- 실린더 전용 Ball Type Torque Limiter(Over Safety Device) 내장. 분진이 많은 작업장은
   리미트 내장형(옵션참조)으로 적용하여 오작동을 방지
-  전기적 과부하장치(Over Torque Deyection System)는 토로크 리미터의 한계를 개선 하므로
   과부하 시 전기를 차단 하여 실린더 본체와 모터의 소손을 완벽하게 보호 
- 정전시 MOTOR 내부에 장착된 장치를 사용 하여 수동운전 가능
- 제품 출하 시 충분한 그리이스(Grease) 주입후 밀봉하여 장기간 안정적 으로 사용.
   그리이스 주입구를 이용하여 충전 하면 실린더의 수명을 연장




23c16c340d9c867e03b1150a4c654915_1624841775_41.jpg

23c16c340d9c867e03b1150a4c654915_1624841775_53.jpg














  



관련상품

등록된 상품이 없습니다.

개인정보보호방침 | 이메일무단수집거부

CHANGWON GI JUN CO., LTD.
(주)창원기전 침 대표이사 : 여덕수 | 사업자등록번호 : 140-81-92321부
본사/공장 : 경기도 시흥시 수인로 2778-2 (도창동) | 대표번호 : 031-404-7526 / 010-8960-1443 | 팩스 : 031-404-7529 | 이메일 : cw-p@hanmail.net

본 사이트의 모든 콘텐츠는 저작권법의 보호를 받는 바 무단 전재, 복사, 배포 등을 금합니다.
COPYRIGHT 2021 (주)창원기전. ALL RIGHTS RESERVED.