CWP10T > 대형파워실린더

CWP10T 요약정보 및 구매

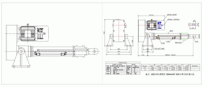
추력 8,000 / 10Ton Kg.f
행정거리 300~2,000mm(over 2000mm-문의
속도 20/30/40 mm/sec
사용모터 5.5/7.5KW×AC220/380/440V×∅3×4P×60Hz×AC Brake
특징1 작업 환경에 맞게 SERVO MOTOR, BLDC MOTOR, STEPPING MOTOR 장착 가능
도면자료

CWP10T-GNR.dwg

031-404-7526


상품 상세설명

제품의 특징
- 대형실린더로 하수처리장, 소각처리장, 제철소의 DAMPER, HOPPER, AUTo GATE, 이송, 반전등에 적용하여 사용
- 고 효율의 BALL SCREW 적용으로 저소음, 고출력, 확실한 내구성
- 실린더전용 브레이크를 장착하여 확실한 제동력을 발휘 함
- 위치제어 리미트 스위치가 외부에 장착되어 있어 조작이 간편
- Torque Limiter(Over Safety Device)내장
- Torque Limiter는 설정 추력 이상의 과부하 상태에서 안전히 본체및 모터를 보호
- 정전 시 MOTOR 내부에 장착된 장치를 사용 하여 수동운전 가능
- 제품 출하 시 충분한 그리이스(Grease) 주입후 밀봉하여 장기간 안정적으로 사용



23c16c340d9c867e03b1150a4c654915_1624847067_16.gif

23c16c340d9c867e03b1150a4c654915_1624847067_23.gif



  


관련상품

등록된 상품이 없습니다.

개인정보보호방침 | 이메일무단수집거부

CHANGWON GI JUN CO., LTD.
(주)창원기전 침 대표이사 : 여덕수 | 사업자등록번호 : 140-81-92321부
본사/공장 : 경기도 시흥시 수인로 2778-2 (도창동) | 대표번호 : 031-404-7526 / 010-8960-1443 | 팩스 : 031-404-7529 | 이메일 : cw-p@hanmail.net

본 사이트의 모든 콘텐츠는 저작권법의 보호를 받는 바 무단 전재, 복사, 배포 등을 금합니다.
COPYRIGHT 2021 (주)창원기전. ALL RIGHTS RESERVED.