상품 이미지 새창 보기

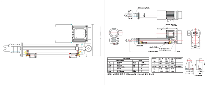
CWP 500