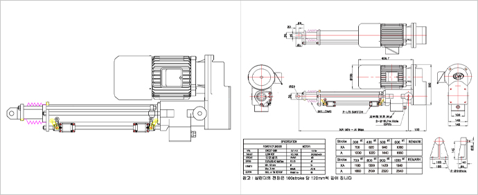
상품 이미지 새창 보기

CWC2T