상품 이미지 새창 보기

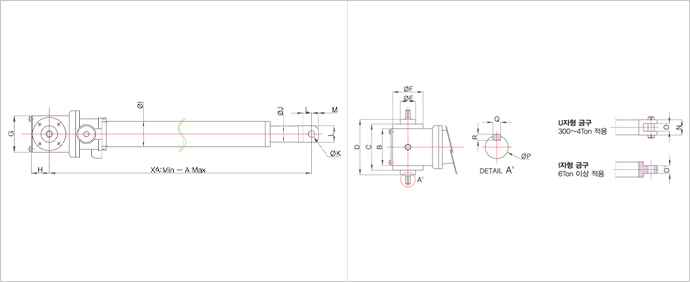
치수 (DIMENTION)