창원기전

팝업레이어 알림

팝업레이어 알림이 없습니다.

회원메뉴

CHANGWON
PRODUCTS
Changwon Gijun! to the World! We will continue with a customer growth!
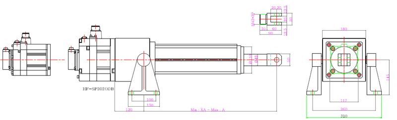
Small Electricity Small Power Mid Power Large Power Servo Cylinder Syncro Cylinder Electron Brake OPTION TSUBAKI


Servo Cylinder
Precise position control and speed control are available due to servo cylinder usage. Existing issues of hydraulic/pneumatic such as oil leakage, unavailability at low temperature are clearly resolved. Synchronized control available when 2 or more units are used


Servo Cylinder Explain
MODEL Major characteristics
CWPiSV08~50     · Precise position control, speed control available for using servo cylinder
    · Synchronized control available when 2 or more units are used
    · Various servo motor capacity used corresponding to the set thrust and speed
    · High thrust at small size by equipping planetary decelerator (OPTION)
    · Simple form and accurate position control by applying magnetic detection sensor
    · Can equip any servo motor the user wants (compatible with all domestic servo motors)
    · BALL SCREW adopted for excellent durability
    · Clearly resolved existing issues of hydraulic/pneumatic such as oil leakage, unavailability
     at low temperature, etc.
    · Available for customized made-to-order suited to the usage environment of the user
    · CwpiSV 150 model is capable of high thrust of at most 1,000kg.f 50mm/sec
    · Green environment actualization to provide clean work environment and space
    · 2016-07-25CwpiSV 300 model is capable of high thrust of at most 2,000kg.f 50mm/sec
CWPiSV 150
CWPiSV 300
CWPiSV08~50

CWPiSV 150

CWPiSV 300



CHANGWON GI JUN CO., LTD.
CHANGWON GI JUN CO., LTD. CEO : Deok su, yeo | Business registration number : 140-81-92321
Head office/factory : 2778-2, Suin-ro, Siheung-si, Kyunggi-do, Republic of korea
| Representative number : 82-31-404-7526 / 82-10-8960-1443 | FAX : 82-31-404-7529 | E-mail : cw-p@hanmail.net

All content on this site is prohibited from unauthorized reproduction, copying, distribution, etc. under the protection of copyright laws.
COPYRIGHT 2021 CHANGWON GI JUN CO., LTD. ALL RIGHTS RESERVED.